- 全國服務熱線:400-0533-979
- 電話:0533-4820001
- 手機:13953304213
- 地址:淄博市博山區崮山鎮
- 郵編:255200
- 郵箱:wanbokehai@163.com
- 網址:http://www.njhaohua.com
產品名稱:WBG型高揚程渦輪泵

概述
WBG渦流式渦輪泵是我公司引進CORKEN技術開發的一代流量較小揚程非常高的泵,能氣液混輸沒有氣蝕,特別應用于LPG加氣站液化氣配送。目前我國單級泵的揚程都不高,致使許多用戶無法選型,雖多級泵揚程高,但體積大配用功率高,是高耗能產品,且安裝維修極不方便。WBG型泵克服了眾多不足,在實際應用中受到各化工設計院及用戶的肯定。本型泵還廣泛應用于化工企業、煉油企業的高揚程遠距離供料供水,能輸送液化石油氣一類的烷烴、烯烴、輕油、液氨、甲醇、芳類等各類化工石油產品,材質有球墨鋳鐵、不銹鋼(304、316)、錫青銅等,可根據輸送的介質及用戶的要求選用。
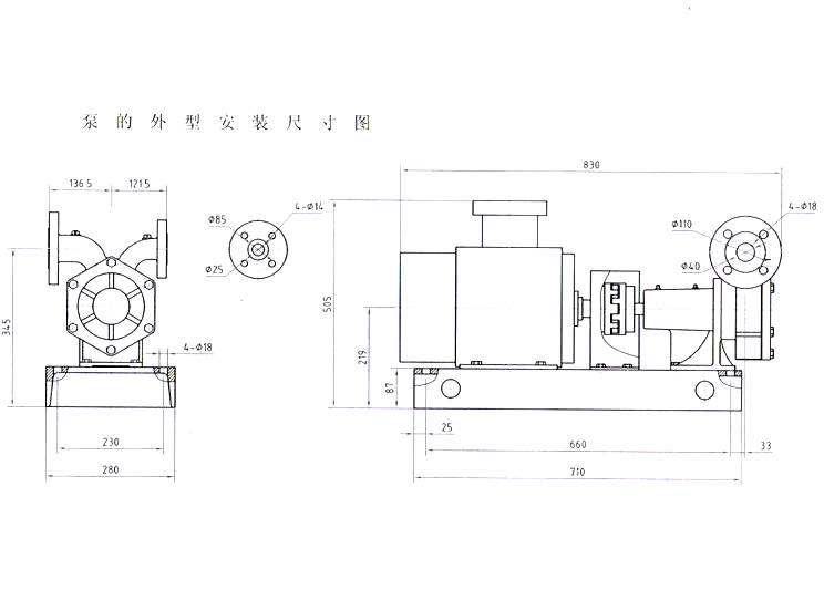
結構特點 本型泵設計精小占用空間少,管路式安裝,非常方便;泵體的進出口角度可按360°分六個方向安裝,管路方向選擇性大;時間久了更換配件,不用拆卸進出口法蘭,打開前蓋即可;
型號意義
40WBG-150-5-100 進口口徑
高揚程渦輪泵
葉輪直徑
流量 5m3h
揚程 100m
技術參數選型
| 型號 |
流量 |
揚程 |
轉速 |
功率 |
效率 |
允許吸上真空高度m |
|
|
40WBG |
9.25 |
50 |
2900 |
4 |
51 |
6.0 |
|
|
8.06 |
80 |
5.5 |
43 |
|
|||
|
6.02 |
140 |
7.5 |
37 |
|
|||
|
4.07 |
200 |
11 |
26 |
5.5 |
|
||
|
2.03 |
240 |
11 |
19 |
|
|||
|
1.04 |
280 |
15 |
10 |
|
|||
|
40WBG |
7.94 |
50 |
2900 |
4 |
49 |
6.5 |
|
|
6.19 |
75 |
5.5 |
42 |
|
|||
|
4.50 |
110 |
5.5 |
34 |
6.0 |
|
||
|
2.61 |
150 |
7.5 |
21 |
|
|||
|
1.03 |
190 |
7.5 |
9 |
|




當前所在位置:


